專業制造碳鋼/不銹鋼旋振篩
—免費提供篩分解決方案—

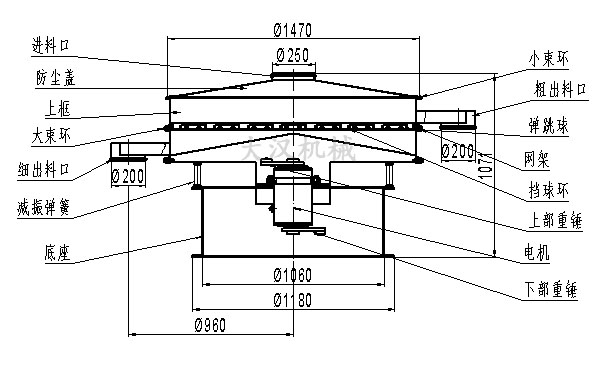
產品介紹:1500型旋振篩為直徑1500mm的單層兩個出料口旋振篩,采用子母網網架分離結構。該機為密封篩分適合粉末、顆粒、液體均可,產量大,效率高。1500型單層旋
直徑一米五單層兩出口,電機功率1.5kw,處理量2600kg/h
應用范圍:化工行業,食品醫藥行業,金屬、冶金礦業,公害處理等等
電話:0373-2849 333
1500型旋振篩為直徑1500mm的單層兩個出料口旋振篩,采用子母網網架分離結構。該機為密封篩分適合粉末、顆粒、液體均可,產量大,效率高。
1500型旋振篩根據材質分為Q235碳鋼材質和304不銹鋼材質。1500型旋振篩篩分效率高、設計精巧耐用,精類、粘液均可篩分。換網容易、操作簡單、清洗方便。網孔不堵塞、粉末不飛揚、可篩至500目或0.028mm。


為了配合個別行業的原料篩分特性及要求,旋振篩廠家大漢機械可根據客戶特殊需求設計旋振篩,例如:加緣式、閘門式、直泄式、附噴水設計、移動式、加高型等。


化工行業:樹脂、涂料、工業藥品、化妝品、油漆、中藥粉等。
食品行業:糖粉、淀粉、食鹽、米粉、奶粉、豆漿、蛋粉、醬油、果汁等。
金屬、冶金礦業:鋁粉、鉛粉、銅粉、礦石、合金粉、焊條粉末、二氧化錳、電解銅粉、電磁性材料、研磨粉、耐火材料、高嶺土、石灰、氧化鋁、重質碳酸鈣、石英砂等。
公害處理:廢油、廢水、染整廢水、助劑、活性碳等。



1500型旋振篩是一種高精度細粉篩分機械,工作原理是由直立式電機作激振源,電機上、下兩端安裝有偏心重錘,將電機的旋轉運動轉變為水平、垂直、傾斜的三次元運動,再把這個運動傳遞給篩面。調節上、下兩端的相位角,可以改變物料在篩面上的運動軌跡,由于其振動運轉原理很多企業也稱之為“三次元振動篩分過濾機”,根據外形結構被部分客戶稱呼為圓形振動篩,從材質上分標準型旋振篩和普通型旋振篩的,標準型的與物料接觸部分為304不銹鋼材質,底座為碳鋼材質,普通型的通體為普碳鋼材質。

通過改變振動電機的上下2塊偏心塊的夾角和質量,振動電機即可帶動設備產生不同大小的振動力,從而改變水平或垂直方向的振動幅度,進而改變篩分的流量和效率。

⑴設備應有穩定的基礎。當設備安裝于一般地面或水泥基礎上時,可以不設置地腳螺栓。當設備安裝于鋼結構架臺之上時,應用螺栓緊固于結構體上,而且鋼結構架臺應有一定的鋼度。本機只需三相開關一只(備注:好使用電氣控制盤),用蛇皮管穿線,將電機接至電源即可,注意電氣控制盤應懸掛安裝于墻上。
⑵設備出廠前已將篩網裝妥,使用過程中的篩網更換可自己更換。
⑶開機前,應先檢查各壓緊螺栓的緊固程度,及各料口的位置是否與接料器對正,并觀察振動電機是否能正常轉動及彈簧受力有無阻礙,檢查各層篩網是否壓緊。
⑷當旋振篩接入電氣控制盤之前,應首先對電氣控制盤進行檢查。線路接通后觀察振動電機旋轉方向是否是順時針方向, (備注:否則應改變相序)運轉是否正常,有無異噪聲。
⑸調節振動電機上下偏心塊的相位角,以適應各種物料篩分情況。
Copyright 2008-2021 旋振篩廠家-新鄉市大漢振動機械有限公司 All Rights Reserved 版權所有
網站備案號:豫ICP備09002479號-33