專業制造碳鋼/不銹鋼旋振篩
—免費提供篩分解決方案—

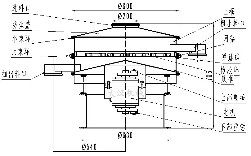
產品介紹:電解銅粉旋振篩為直徑800mm一層兩個出料口的標準機型旋振篩,與物料接觸部分為304不銹鋼材質,底座為碳鋼材質。電解銅粉旋振篩電機功率0.55kw,篩分直
800mm一層兩個出料口旋振篩,電機功率0.55kw,篩分直徑750mm,處理量800kg/h。
應用范圍:電解銅粉旋振篩為直徑800mm一層兩個出料口的標準機型旋振篩,樹脂、涂料、工業藥品、化妝品、油漆、電解銅粉等。
電話:0373-2849 333
電解銅粉旋振篩為直徑800mm一層兩個出料口的標準機型旋振篩,與物料接觸部分為304不銹鋼材質,底座為碳鋼材質。電解銅粉旋振篩電機功率0.55kw,篩分直徑750mm,處理量800kg/h。

1.效率高、設計精巧耐用,粉類、粘液均可篩分。
2.換網容易、操作簡單、清洗方便。

3.網孔不堵塞、粉末不飛揚、可篩至400目或0.028mm。
4.雜質、粗料自動排出,可以連續作業。



電解銅粉旋振篩是由直立式振動電機作為激振源,電機上、下兩端安裝有偏心重錘,將電機的旋轉運動轉變為水平、垂直、傾斜的三次元運動,再把這個運動傳遞給篩面進行篩分。調節上、下兩端的相位角,可以改變物料在篩面上的運動軌跡。

通過改變振動電機的上下2塊偏心塊的夾角和質量,振動電機即可帶動設備產生不同大小的振動力,從而改變水平或垂直方向的振動幅度,進而改變篩分的流量和效率。

1、發現篩網破損,需要更換新篩網時,應先把外部鎖緊環上的螺栓松開,然后取下篩框,拿出篩網架,去掉橡膠密封圈、緊固環,取掉破損篩網。
2、換新篩網時,多層旋振篩,按1倒序重新裝上即可,篩網一定要平整緊固,外部鎖緊環上的螺栓一定要上緊,在上螺栓的同時要用橡膠錘或木棒錘擊鎖緊環外圓周邊,直至錘擊沒有松動聲為止,使鎖緊環和篩框緊密結合。

1、設備運轉時要定期加油 旋振篩型號,每周加油兩次。(3號鋰基脂潤滑油)振動電機在運行1500小時后應檢查并清洗油封、軸承,若有嚴重損傷時要立即更換
2、每三個月要進行一次小修和維護,6-12個月進行一次大修,檢修時要檢查各緊固件有無損傷、松動。
3、定期檢查電纜線(2-3個月換一次電機引線)

化工行業:樹脂、涂料、工業藥品、化妝品、油漆、電解銅粉等。
食品行業:糖粉、淀粉、食鹽、米粉、奶粉、豆漿、蛋粉、醬油、果汁等。
金屬、冶金礦業:鋁粉、鉛粉、銅粉、礦石、合金粉、焊條粉末、二氧化錳、電解銅粉、電磁性材料、研磨粉、耐火材料、高嶺土、石灰、氧化鋁、重質碳酸鈣、石英砂等。
公害處理:廢油、廢水、染整廢水、助劑、活性碳等。
售后服務:
1.保修期內非因操作不當造成需要更換的零配件及設備由我廠負責包修、包換。
2.質量保證期結束后,我廠將繼續免費提供售后服務,不限年份終身服務,僅收取零部件成本費,免收人工費,免收維修費。
服務承諾:
為了向您提供完善的售后服務,請將您的寶貴意見、建議及要求反饋給我廠。我們感謝貴單位使用我廠的產品,我廠建立有完整的營銷網絡及完善的售后服務體系,售后服務部已將您購買的產品建立了信息檔案。如果您購買的產品出現質量問題,我們將及時為您提供全方位的服務。
Copyright 2008-2021 旋振篩廠家-新鄉市大漢振動機械有限公司 All Rights Reserved 版權所有
網站備案號:豫ICP備09002479號-33